Khớp nối bánh răng tang trống NGCLZ với bánh xe phanh có bánh xe phanh, có thể điều chỉnh tốc độ của máy bằng cách kiểm soát tốc độ của bánh xe phanh. Khớp nối bánh răng tang trống NGCLZ với bánh xe phanh cho phép dịch chuyển góc lớn hơn, có thể cải thiện điều kiện tiếp xúc răng và cải thiện khả năng truyền mô-men xoắn, kéo dài tuổi thọ, với dịch chuyển góc dọc theo trạng thái tiếp xúc của chiều rộng bánh răng, bao gồm bánh răng bên trong và cùng số răng của các bộ phận khớp nối nửa băng bích, v.v.
Khớp nối bánh răng tang trống NGCLZ với bánh xe phanh cần hoạt động trong điều kiện tốt và kín. Khớp nối bánh răng tang trống NGCLZ với bánh xe phanh có cùng kích thước hướng tâm và khả năng chịu lực lớn như khớp nối răng. Nó thường được sử dụng để truyền trục ở điều kiện tốc độ thấp và tải trọng nặng. Khớp nối bánh răng cân bằng động và độ chính xác cao có thể được sử dụng để truyền tốc độ cao.
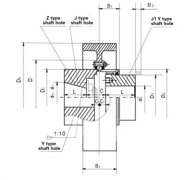
![]() |
| Kích cỡ | Mô-men xoắn T Nm | Tốc độ vòng/phút | Đường kính mm | Chiều dài mm | Ngày 0 | D | D1 | D2 | Ngày 3 | C | C1 | H | B1 | B2 | B3 | Cân nặng kg |
| NGCLZ1 | 0,355 | 4000 | 20-35 | 38-82 | 160 | 103 | 71 | 71 | 50 | 30 | 8 | 2 | 42 | 38 | 68 | 8.4 |
| NGCLZ2 | 0,63 | 4000 | 25-45 | 44-112 | 160 | 115 | 83 | 83 | 60 | 39 | 8 | 2 | 48 | 42 | 68 | 10,5 |
| NGCLZ3 | 1 | 3800 | 28-55 | 44-112 | 200 | 127 | 95 | 95 | 75 | 39 | 8 | 2 | 49 | 42 | 85 | 18,8 |
| NGCLZ4 | 1.6 | 3800 | 38-65 | 60-142 | 200 | 149 | 116 | 116 | 90 | 46 | 8 | 2 | 53 | 42 | 85 | 26,8 |
| NGCLZ5 | 2.8 | 3000 | 40-75 | 84-142 | 250 | 167 | 134 | 134 | 105 | 47 | 9 | 2,5 | 58 | 42 | 105 | 39 |
| NGCLZ6 | 4,5 | 3000 | 45-90 | 107-172 | 250 | 187 | 153 | 153 | 125 | 52 | 9 | 2,5 | 59 | 42 | 105 | 53,2 |
| NGCLZ7 | 6.3 | 2400 | 50-100 | 84-212 | 315 | 204 | 170 | 170 | 140 | 52 | 9 | 2,5 | 63 | 42 | 132 | 79,6 |
| NGCLZ8 | 9 | 1900 | 55-110 | 84-212 | 400 | 230 | 186 | 186 | 155 | 57 | 12 | 3 | 77 | 47 | 168 | 117 |
| NGCLZ9 | 14 | 1500 | 60-130 | 107-252 | 500 | 256 | 212 | 212 | 180 | 64 | 13 | 3 | 80 | 47 | 210 | 182 |
| NGCLZ10 | 20 | 1200 | 65-150 | 107-252 | 630 | 287 | 239 | 239 | 200 | 66 | 15 | 3,5 | 90 | 47 | 265 | 246 |
| NGCLZ11 | 31,5 | 1050 | 70-170 | 107-302 | 710 | 325 | 270 | 276 | 235 | 74 | 16 | 3,5 | 94 | 47 | 298 | 361 |
| NGCLZ12 | 45 | 1050 | 75-200 | 107-352 | 710 | 362 | 310 | 313 | 270 | 84 | 16 | 4 | 104 | 49 | 298 | 470 |
| NGCLZ13 | 63 | 950 | 150-220 | 202-352 | 800 | 412 | 322 | 350 | 300 | 86 | 17 | 4,5 | 113 | 49 | 335 | 598 |
| NGCLZ14 | 100 | 950 | 170-250 | 242-410 | 800 | 462 | 380 | 420 | 335 | 98 | 18 | 5,5 | 157 | 63 | 335 | 780 |
Đăng ký tài khoản
Đăng nhập tài khoản