0909.057.026 - Mr. Phúc
sale1@pumptech.vn
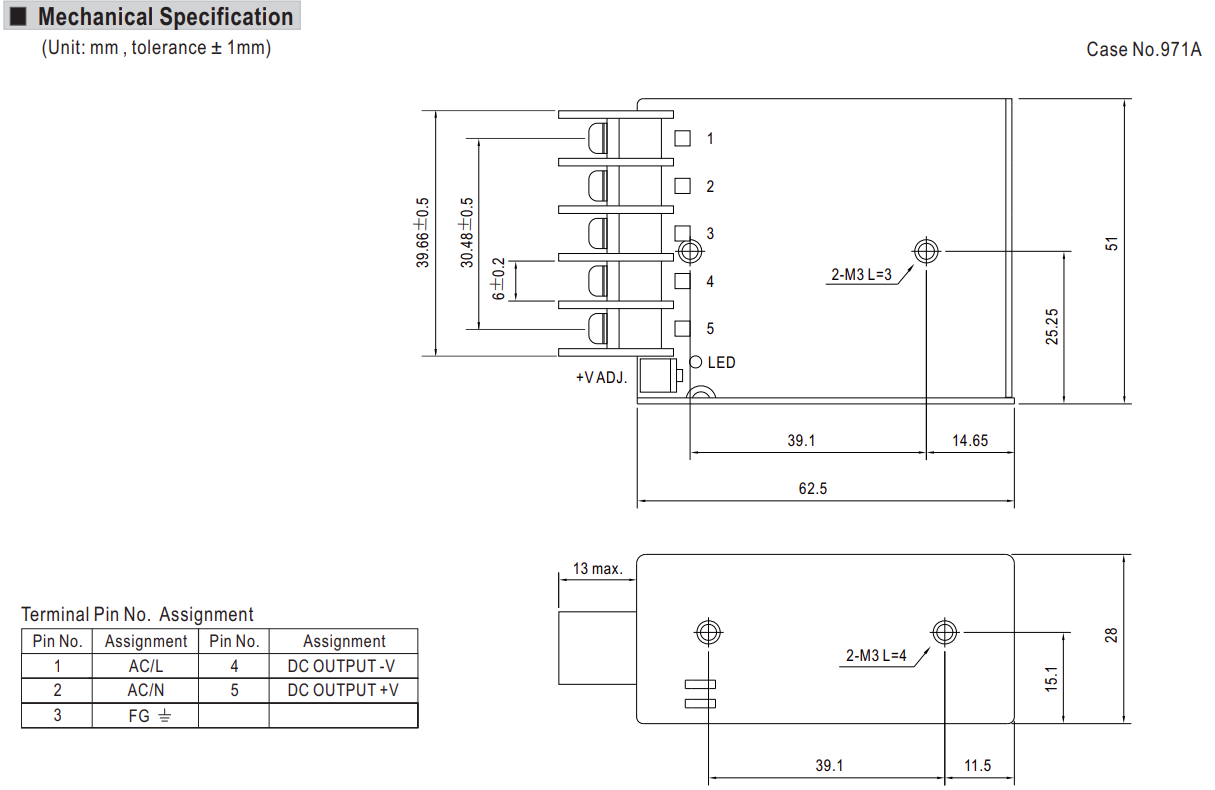
Model: RS-15 series
Nhà sản xuất: MEAN WELL
Xuất xứ: Đang cập nhật
Danh mục: VẬT TƯ ĐÃ CẤP
Model: 151-1286
Hãng: WHITE
Model: 5,5mm
Hãng: china
Model: 1L01.5DE10R
Hãng: Roquet
Model: IW-MU
Hãng: MULLER ZIEGLER
Model: 9525C00/03D24
Model: R5K
Hãng: BI Technologies
Model: LRS-1180-304
Hãng: CONTRINEX
Model: H24B-BK-2L/S
Hãng: ZJHK
Đăng ký tài khoản
Hoặc đăng nhập bằng
Đăng nhập tài khoản