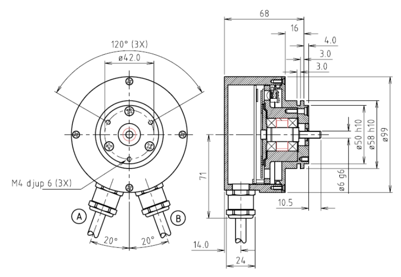
Mechanical data
| shaft speed | Max. 6000 rpm |
| Moment of inertia | 25 x 10 -6 kgm2 |
| Radial shaft load, static max. | 750N |
| Shaft | Ø6 mm with flat |
| Weight | Appr. 860g |
| Operating temperature | -20 ºC…+80 ºC |
Specification encoder A
| Output signal | Balanced current output 10mA |
| Resolution | 1024 ppr |
| Connection type | Radial cable outlet |
| Power supply | 18-30 Vdc |
| Current consumption | 75mA (Max 95 mA) |
| Polarity protected | Yes |
| Max. load | 10mA |
| Frequency range | 0...200 kHz |
| Dividing error/ Channel separation | ± 50 º el / 90 ± 25º el |
Specification encoder B
| Output signal | PTC (HTL) |
| Resolution | 2048 ppr |
| Connection type | Radial cable outlet |
| Power supply | 9-30 Vdc |
| Current consumption | 30 mA (Max 90 mA) |
| Polarity protected | Yes |
| Max load | 40 mA sink/source |
| Frequency range | 0...200 kHz |
| Dividing error/ Channel separation | ± 30 º el / 90 ± 25º el |
| Max cable length | 100m at 200kHz |


Đăng ký tài khoản
Đăng nhập tài khoản